- 詳情介紹規格參數用戶點評
九眾九機器人載荷10kg上下料機器人6軸機械手

九眾九機器人載荷10kg上下料機器人6軸機械手機器人手臂由鋁鑄件經過CNC加工中心完成,外觀精美

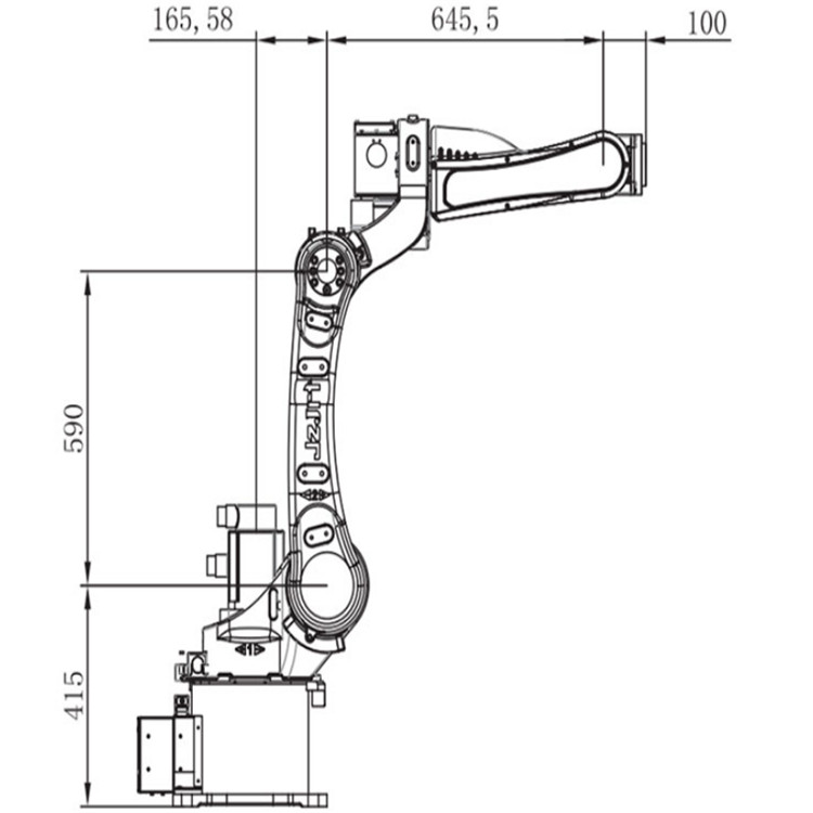
九眾九機器人載荷10kg上下料機器人6軸機械手產品尺寸圖

九眾九機器人載荷10kg上下料機器人6軸機械手產品細節圖
九眾九機器人有限公司 聯系電話:0510-81000080
- 型號名稱10kg
- 長度
- 材質
- 您購買五金建材的專業平臺六大保障,讓您選擇我們的服務!
- 產品質量有保障依托10萬平米自持經營面積、2萬平方米現貨庫存,擁有20多萬個規格品種和1000多個知名品牌,網上所售商品都有質量保障,標準化產品網上直接供應,非標產品線下體驗線上供應;運營10年已經有38630多家企業固定在此采購,質量無憂。
- 產品價格有保障商品大都來自集中采購,與生產廠家簽訂了長期戰略合作協議,以質優價廉、沖量返利為長遠目標,讓利給采購商。
- 貨源充足有保障華東五金網有穩定的供貨渠道,有1千多家供應商和生產企業長期提供25萬多個規格品種,確保不會缺貨、斷貨。
- 發貨及時有保障擁有現代化的倉儲和快捷的物流配送體系,貨運直達全國70%以上的地、縣級市,專業跟單,一對一服務,配送確保及時。
- 售后服務有保障所售商品都有完善的售后服務體系,確保退貨及時、換貨及時、維修及時,讓采購商無后顧之憂。
- 平臺信譽有保障已有38630多家五金機電建材采購商專注采購,真正實現了線下體驗、線上成交的o2o模式,華東五金網是江蘇專業五金機電建材供應基地,立足江蘇、上海、浙江、山東、安徽,輻射全國。連續多年被評為省級正版正貨榮譽稱號,每一筆交易都有誠信保障。
- 采購下單須知請您務必提前閱讀,減少分歧誤解,提升購物體驗!
- 請您在下單前務必確認商戶的實體資質及商品質量,選購前務必優先選擇已通過認證的城內商戶會員,信譽度更高。謹慎對待過低價格的商品信息,做好預防欺詐行為,減少交易糾紛出現。
- 當前頁面展現的店鋪、商品及其他相關信息,均來源于其對應的注冊商戶會員,信息的真實性、準確性和合法性由該信息的來源商戶實體完全負責,華東五金網對此無償提供積極的質量追溯協助。



























